Отгрузка осуществляется транспортными компаниями на Ваш выбор.
Мы рекомендуем:
ЖелДорЭкспедиция |
Деловые линии |
ISN N21P-31P-6-LZ - невстраиваемый индуктивный датчик.
При появлении металлического предмета в чувствительной зоне происходит демпфирование электромагнитного поля, амплитуда колебаний встроенного генератора уменьшается и срабатывает пороговое устройство. Электронный ключ датчика формирует выходной сигнал (PNP Замыкающий), а на корпусе датчика загорается сигнализирующий светодиод. Максимальная частота переключения 450 Гц. Для срабатывания датчика не требуется непосредственного контакта с объектом. Отсутствие механических воздействий и износа обеспечивает высокую долговечность и надежность индуктивного датчика.
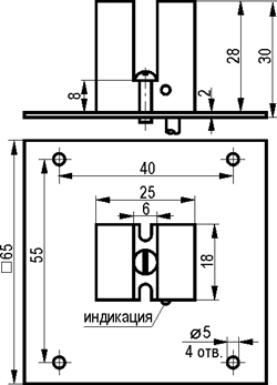
Датчик индуктивный ISN N21P-31P-6-LZ выполнен в щелевом корпусе, материал изготовления Полиамид, степень защиты от пыли и влаги IP67. Габаритные размеры корпуса: М12х1. Предназначен для работы при температуре: -45°С...+80°С.
Подключение: Кабель 3х0,34 кв.мм
| Параметр | Значение |
|---|---|
| Размер корпуса, ДлxВxШ | 65x65x30 |
| Ширина щели | 6 мм |
| Материал изготовления корпуса | Полиамид |
| Рабочие напряжения, U раб. | 10...30 В DC |
| Максимальный рабочий ток, Imax | 250 мА |
| Падение напряжения при Iраб, Ud | <=2,5 В |
| Контакт / выход | PNP Замыкающий |
| Максимальная частота переключения, Fмакс | 450 Гц |
| Диапазон температур | -45°С...+80°С |
| Подключение / Коннектор | Кабель 3х0,34 кв.мм |
| Индикация на датчике | Есть |
| Наличие комплексной защиты | Есть |
| Уровень защиты ГОСТ 14254-96 | IP67 |



| Ширина щели: | 6 мм |
| Материал корпуса: | Полиамид |
| Рабочие напряжения: | 10...30 В DC |
| Тип контакта/выход: | NPN Размыкающий |
| Частота переключения: | 450 Гц |
| Диапазон температур: | -25°С...+75°С |
| Световая индикация: | Есть |
| Ширина щели: | 10 мм |
| Материал корпуса: | Полиамид |
| Рабочие напряжения: | 10...30 В DC |
| Тип контакта/выход: | PNP Замыкающий |
| Частота переключения: | 500 Гц |
| Диапазон температур: | -25°С...+75°С |
| Световая индикация: | Есть |
| Ширина щели: | 6 мм |
| Материал корпуса: | Полиамид |
| Рабочие напряжения: | 10...30 В DC |
| Тип контакта/выход: | NPN Замыкающий |
| Частота переключения: | 450 Гц |
| Диапазон температур: | -25°С...+75°С |
| Световая индикация: | Есть |
| Ширина щели: | 10 мм |
| Материал корпуса: | Полиамид |
| Рабочие напряжения: | 10...30 В DC |
| Тип контакта/выход: | PNP Размыкающий |
| Частота переключения: | 500 Гц |
| Диапазон температур: | -25°С...+75°С |
| Световая индикация: | Есть |
| Ширина щели: | 6 мм |
| Материал корпуса: | Полиамид |
| Рабочие напряжения: | 10...30 В DC |
| Тип контакта/выход: | PNP Размыкающий |
| Частота переключения: | 450 Гц |
| Диапазон температур: | -25°С...+75°С |
| Световая индикация: | Есть |